


Vom frühen Elektromotor bis zur modernen Hochvolt-Technik: Die Leistungselektronik macht heutige E-Fahrzeuge erst effizient und regelbar. Wie IGBTs, PWM-Steuerung und High-/Low-Converter arbeiten – und warum sie für Drehmoment, Rekuperation und Reichweite entscheidend sind.
Die ersten Elektromotoren entstanden bereits zu Beginn des 19. Jahrhunderts. Daraus entwickelten sich auch schnell die ersten Elektrofahrzeuge. Erst in den frühen 1920er-Jahren verdrängten Verbrennungsmotoren den elektrischen Antrieb im Fahrzeug.
Verbrennungsmotoren hatten zwei wesentliche Vorteile:
An der Frage der Energiespeicherung wird sich in Zukunft entscheiden, ob sich Elektrofahrzeuge durchsetzen. Die Entwicklung wird hier in den nächsten Jahren die größten Schritte machen müssen. Das Problem der Regelung von Elektromotoren ist allerdings gelöst.
Mit der aktuellen Leistungselektronik ist es sogar möglich, Elektrofahrzeuge ohne Getriebe zu bauen, da Elektromotoren durch eine gezielte Ansteuerung über den geforderten Drehzahlbereich arbeiten können. Die Leistungselektronik in Elektrofahrzeugen übernimmt aber zusätzlich auch noch andere Aufgaben.
Wesentliches Bauteil der Leistungselektronik ist ein sogenannter IGBT: eine Kombination aus bipolarem und unipolarem Transistor, also aus herkömmlichem Transistor und MOSFET (weitere Informationen über beide Transistoren finden sich im Buch ‚Grundlagen der Fahrzeugelektrik‘, erschienen bei Krafthand Medien). Ein IGBT vereint die Vorteile beider Transistoren, wird beinahe leistungslos angesteuert und kann Ströme bis fast 4.000 A schalten.
Diese Aufgaben erfüllt die Leistungselektronik in Elektrofahrzeugen:

In den meisten Fällen werden die Hochleistungsschalter (IGBT) mit PWM-Signalen angesteuert, einer besonderen Form der Rechteckspannung – wobei im Betrieb die Frequenz und somit die Periodendauer des Signals konstant bleibt und sich nur die Ein- und Ausschaltzeiten des Signals verändern. Ein PWM-Signal wird über das Tastverhältnis definiert. Dieses Verhältnis gibt an, um wie viel Prozent des gesamten Signals der angesteuerte Verbraucher eingeschaltet ist:

Der Vorteil einer PWM-Steuerung ist, dass Transistoren, MOSFET oder IGBT immer voll durchgeschaltet oder voll gesperrt werden. Dadurch entstehen deutlich weniger Wärmeverluste an der Schaltstrecke.
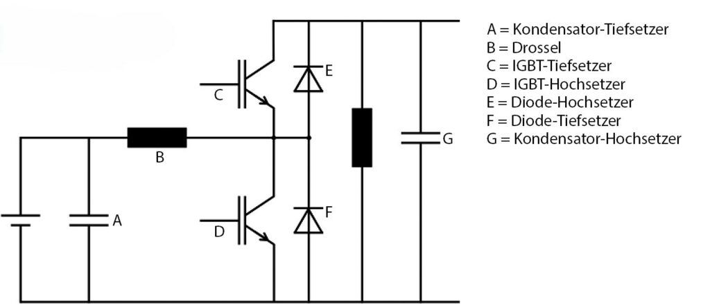
Um den großen Wirkungsgrad von Elektromotoren wirklich erreichen zu können, müssen sie mit einer hohen Spannung betrieben werden. Diese liegt in der Regel über der Spannung der HV-Batterie. Die Spannung muss also für den Betrieb oftmals erhöht werden. Mit einer einfachen Schaltung und geeigneten Bauteilen lassen sich Hoch- und Tiefsetzer mit einem sehr hohen Wirkungsgrad realisieren. Dieser kann deutlich über 90 Prozent betragen.
Beim Hochsetzer – auch ‚Hochsetzsteller‘ oder ‚Boost-Converter‘ genannt – wird der Leistungstransistor mit einem PWM-Signal angesteuert. Sobald der Transistor durchschaltet, fließt ein Strom von der Batterie durch die Spule und wieder zurück zur Batterie.
Dieser Strom erzeugt in der Spule ein Magnetfeld. Sobald der Transistor sperrt, wird der Strom durch die Spule unterbrochen. Das Magnetfeld bricht zusammen und erzeugt in der Spule eine hohe Spannung. Diese Spannung ist nun so gerichtet, dass sie ihrer Ursache entgegen wirkt.
War vorher auf der rechten Seite der Spule noch Minus, so ist dort jetzt Plus. Die Diode ist nun in Durchlassrichtung geschaltet und die hohe Induktionsspannung wird genutzt, um den Kondensator aufzuladen. Da die Energie nicht ausreicht, um den Kondensator auf die gewünschte Spannung zu laden, schaltet der Transistor wieder durch. Die Spule wird wieder aufgeladen.
3. erweiterte Auflage 2018 von Martin Frei, 100 Seiten, 105 Abbildungen/Grafiken/Tabellen, 44,95 EuroGrundlagen Kfz-Hochvolttechnik – Basiswissen, Komponenten, Sicherheit
Beim anschließenden Abschalten des Stroms wird wieder die Induktionsspannung verwendet, um den Kondensator aufzuladen. Da der Transistor mit variablem Tastverhältnis getaktet wird, kann auf diese einfache Art die Höhe der Ausgangsspannung eingestellt werden. Die Diode sorgt lediglich dafür, dass kein Strom vom Kondensator zurückfließen kann.
Das Bild unten zeigt deutlich, wie sich der Spannungswert in kürzester Zeit (weniger als eine Millisekunde) auf die erforderliche Höhe einstellt. Diese Spannung kann nun verwendet werden, um mit der Leistungselektronik den Elektromotor anzusteuern.

Ein wesentlicher Aspekt zum Energiehaushalt und somit zur Reichweite eines Elektrofahrzeugs ist die Rückgewinnung der Energie im Schubbetrieb und beim Bremsen. Bei herkömmlichen Fahrzeugen wird diese Energie einfach nur in Wärme umgewandelt und an die Außenluft abgegeben. Im Elektrofahrzeug wird die Rückgewinnung durch den Generator oder auch den Elektromotor, der dann als Generator fungiert, realisiert. Die Spannung, die beim Bremsen erzeugt wird, kann unterschiedliche hohe Werte annehmen. Um die HV-Batterie nicht unnötig stark zu belasten, muss diese Spannung gegebenenfalls nach unten gesetzt werden.
Diese Aufgabe übernimmt ein Tiefsetzer. Diese einfache Schaltung wird häufig auch als ‚Tiefsetzsteller‘ oder ‚Buck-Converter‘ bezeichnet. Und auch diese Schaltung arbeitet mit sehr hohem Wirkungsgrad. Der elektronische Schalter wird wieder mit einem PWM-Signal angesteuert. Sobald der Transistor öffnet, fließt ein Strom durch den Transistor und die Spule in die Batterie. Die Diode ist in diesem Fall in Sperrrichtung geschaltet.
Die Spannung an der Spule ist im ersten Moment hoch und wird immer kleiner, solange ein Strom fließt. Die Ausgangsspannung ergibt sich aus der Differenz zwischen Eingangsspannung und Spannung an der Spule. Hat die Ausgangsspannung den gewünschten Wert erreicht, schaltet der Transistor ab. Es fließt nun kein Strom mehr durch die Spule, sodass das dort erzeugte Magnetfeld zusammenbricht. Die Spannung an der Spule kehrt sich nun um.
Nun kann ein Strom vom rechten Spulenanschluss durch den Glättungs-kondensator und die Batterie über die nun in Durchlass geschaltete Diode zum linken Anschluss der Spule fließen. Auf diese Art lässt sich die Ausgangsspannung auf einen beinahe beliebigen Wert einstellen, der nur vom Wert der Eingangsspannung abhängig ist und vom Tastverhältnis, mit dem der Transistor angesteuert wird:

Der Kondensator dient zum Glätten der Ausgangsspannung. Wird der Tiefsetzsteller direkt an eine Batterie angeschlossen, kann auf den Kondensator verzichtet werden.
Im sogenannten ‚Converter‘ werden beide Schaltungen miteinander verbunden. Das Prinzip bleibt aber dasselbe: Die Spannung wird hoch- oder heruntergesetzt – je nachdem, welcher der Transistoren angesteuert wird.